Caja para tubos de Rayos X del año 1913
Caja para tubos de Rayos X del año 1913

Caja para tubos de Rayos X del año 1913
Caja para tubos de Rayos X del año 1913

Exhibición del Aparato Sánchez en Nueva York. Año 1909.
Exhibición del Aparato Sánchez en la «III Exhibición de Electricidad» en Nueva York en el año 1909, En el Madison Square Garden.
Es el Stand de la empresa Collins Wireless.
En el arco de la portada del stand de la derecha era el de General Electric
Mónico Sánchez Moreno fue el inventor del primer aparato de Rayos X español, que se llamó Aparato Sánchez» Registrado con Patente del Aparato Rayos X Sánchez en 1910, construido en su fábrica de «Eléctrico Sánchez» de Piedrabuena (Ciudad Real) fabricó y distribuyó estos Aparatos de Rayos X para Hospitales, médicos y para los Departamentos de Fisica y Quimica de las Universidades Españolas y de los Institutos de Enseñanza Secundaria. También construyo e inventó Tubos de Rayos X Sánchez
Primera radiografia de César Cómas
Primera radiografia de César Cómas en la Facultad de Medicina de Barcelona el 24 de febrero de 1896
D. César Comás Llabería (1874-1956)
Nace en Barcelona, Era gran aficionado a la fotografia y trabajaba en la Facultad de Medicina como fotografo Terminó medicina en 1896 en Barcelona.
Realizo sus trabajos y la carrera con su primo y amigo D.Agustin Prió también médico de la Facultad de Barcelona. Los primeros trabajos los realizó conjuntamente con su primo y amigo y la colaboración de D. Tomás Escriche, Catedratico de Fisica y Quimica de Barcelona, que le presta el tubo de Crookes para sus experimetos y D. José Casres Gil de la Facultad de Farmacia le presta el carret de inducción de Ruhmkorff para producir la corriente de alto voltaje.
Realiza los primeras radiografias en febrero de 1896. Algunos autores atribyen a César Cómas las primeras radiografias porque empezó a realizarlas segun ellos el dia 2-2-1896, fecha en que le autorizó el decano de la Facultad de Medicina D. Giné Partagás. Pero estos experimentos que estan fechados en las copias realizadas por detrás de las fotografias de las rradiografias y que se encuentran en los archivos de la Facultad de Medicina de Barcelona, no fueron publicadas. Comás realiza el experimento en publico de la primera radiografia el dia 24-2-1896
Existen otros autores que consideran que la primera radiografia fue realizada por Eduardo Fonsetré el dia 6-2-1896. Publicadas y expuestas en publico el dia 10-2-1896 en una conferencia de D. Eduardo Lozano en la Real Academia de Ciencias y Artes de Barcelona.
D. César Comás y Agustin Prió Cmienza a realiza experimentos con Rayos X el dia 2 de febrero de 1896 que lo autoriza el Catedrático de Medcina Dr. Giné y Partagás
La primera radiografia publicada con toda solemnidad en el Anfiteatro de la Facultade de Medicina y en presencia de los catedraticos Dr. Giné y Partagás de la Facultad de Medicina. y D. Eduardo Bertrán Rubio, Presidente de la Real Academia de Medicina y Cirugia de Barcelona. Numeroso publico asistente que llenó el salón de actos.
Demostración realizada por D. César Cómas y D. Agustin Prió
El tubo de Crookes y el carrete de inducción de Ruhmkorff
Coloca una plancha de zinc, de 18 por 13 cms, construida con la leyenda y fecha especifica «Facultad de Medicina de Barcelona. 24 de febrero de 1896″para que quede constancia del acontecimiento y que se conserva en la Facultad de Medicina de Barcelona
Introduce la planca en una caja carton con tapa. Una placa fotografica nueva de 18 por 13 cms. envuelta en papel negro encima de la placa y lo introduce todo en la caja.. Pone encima de la caja una tabla de madera de 1 cms de grosor para demostrar el paso de los Rayos X. Conecta y pone en actividad el primitivo aparato de rayos X, constituido por un tubo de Crookes y una carrete de induccion tipo Ruhmkorff.. Realiza una exposición de 35 minutos. Posteriormente se revela y fija la placa fotografica en presencia del publico.
El Decano de la Facultad, Dr., Giné Partagás, mienstras se realiza la exposciónn y el revelado de la radiografia, está dando una conferencia sobre los Rayos X, cuando termina le entregan la placa fotografica, la expone al publico y este estalla en aplausos. Fue el dia 24 de febrero de 1896.
D. Eduadro Lozano Ponce de Leon realizó la conferencia en la Real Academia de las Ciencias y Artes de Barceloan el dia 10-2-1896, trajo las fotografias a la conferaiaza, realizadas las radiografia por su ayudante D. Eduardo Fontseré el dia 6-2-1896 de dos manos humnas, pero no las realizó en la sala en presencia de publico como Dr. César Comás-
Primera Radiografia realizada y expuesta al publico el dia 24 de febrero de 1896 por D.- César Cómas y D. Agustin Prió
Este conferencia tuvo una gran repercusión en toda la prensa nacional y su fama fue dinundida rapidamente. Posteriormente César Comás y Agustin Prió montaron un Gabinete Radiologico en la calle Fortuny de Barcelona que tuvo enorme éxito en su época.
Realizaron trabajos y asistieron a numeroso congresos.
Advirtieron del peligro de las radiaciones y pactaron que en el trabajo cada uno utilizaria una mano para protegerse de las radiaciones. Prió utilizaba la mano derecha y César Comás la izquierda, que se la tuvieron que amputar en 1935 por las radiaciones, aunque murió en 1956 a los 82 años.
Si deseas ampliar mas sobre la historia de los rayos X te recomiendo: Electricidad. Rayos X, Tubos de rayos Holtz o tubos vacuo. Tubos de Geissler. Tubos de Goldstein. Tubos de Crookes, Tubos de Rayos X
Primeras radiografias humanas en España por D. César Comás Llabería y D. Agustin Prió
D. César Comás Llabería (1874-1956)
Nace en Barcelona, Era gran aficionado a la fotografia y trabajaba en la Facultad de Medicina como fotografo Terminó medicina en 1896 en Barcelona.
Realizo sus trabajos y la carrera con su primo y amigo D.Agustin Prió también médico de la Facultad de Barcelona. Los primeros trabajos los realizó conjuntamente con su primo y amigo y la colaboración de D. Tomás Escriche, Catedratico de Fisica y Quimica de Barcelona, que le presta el tubo de Crookes para sus experimetos y D. José Casres Gil de la Facultad de Farmacia le presta el carret de inducción de Ruhmkorff para producir la corriente de alto voltaje.
Realiza los primeras radiografias en febrero de 1896. Algunos autores atribyen a César Cómas las primeras radiografias porque empezó a realizarlas segun ellos el dia 2-2-1896, fecha en que le autorizó el decano de la Facultad de Medicina D. Giné Partagás. Pero estos experimentos que estan fechados en las copias realizadas por detrás de las fotografias de las rradiografias y que se encuentran en los archivos de la Facultad de Medicina de Barcelona, no fueron publicadas. Comás realiza el experimento en publico de la primera radiografia el dia 24-2-1896
Existen otros autores que consideran que la primera radiografia fue realizada por Eduardo Fonsetré el dia 6-2-1896. Publicadas y expuestas en publico el dia 10-2-1896 en una conferencia de D. Eduardo Lozano en la Real Academia de Ciencias y Artes de Barcelona.
D. César Comás y Agustin Prió Realiza los experimentos con Rayos X y las siguientes radiografias desde el dia 2 de febrero de 1896.
El tubo de Crookes y el carrete de inducción de Ruhmkorff
Las primeras radiografias humanas en España en febrero de 1896 por D. César Cómas y D. Agustin Prió
Están en los archivos de la Facultad de Medicina de Barcelona.
Fueron publicadas en «Archivos de Ginecopatia» el 10 de abril de 1896. Proablemente realizadas en febrero de 1896.
Pertenecen al cádaver de un niño que habia fallecido en el Hospital.
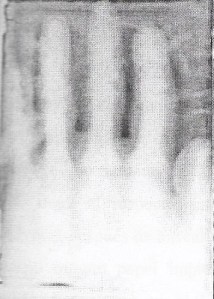
Dos pies vistos por la región plantar
Brazo del niño y mano abierta.
Si deseas ampliar mas sobre la historia de los rayos X te recomiendo: Electricidad. Rayos X, Tubos de rayos Holtz o tubos vacuo. Tubos de Geissler. Tubos de Goldstein. Tubos de Crookes, Tubos de Rayos X
Primeras radiografias en España por D. Cesar Comás Llabería y D. Agustin Prió
D. César Comás Llabería (1874-1956)
Nace en Barcelona, Era gran aficionado a la fotografia. tenia estudio fotografico y trabajaba en la Facultad de Medicina como fotografo Terminó medicina en 1896 en Barcelona.
Realizo sus trabajos y la carrera con su primo y amigo D.Agustin Prió también médico de la Facultad de Barcelona. Los primeros trabajos los realizó conjuntamente con su primo y amigo y la colaboración de D. Tomás Escriche, Catedratico de Fisica y Quimica de Barcelona, que le presta el tubo de Crookes para sus experimetos y D. José Casres Gil de la Facultad de Farmacia le presta el carret de inducción de Ruhmkorff para producir la corriente de alto voltaje.
Realiza los primeras radiografias en febrero de 1896. Algunos autores atribyen a César Cómas las primeras radiografias porque empezó a realizarlas segun ellos el dia 2-2-1896, fecha en que le autorizó el decano de la Facultad de Medicina D. Giné Partagás. Pero estos experimentos que estan fechados en las copias realizadas por detrás de las fotografias de las rradiografias y que se encuentran en los archivos de la Facultad de Medicina de Barcelona, no fueron publicadas. Comás realiza el experimento en publico de la primera radiografia el dia 24-2-1896
Existen otros autores que consideran que la primera radiografia fue realizada por Eduardo Fonsetré el dia 6-2-1896. Publicadas y expuestas en publico el dia 10-2-1896 en una conferencia de D. Eduardo Lozano en la Real Academia de Ciencias y Artes de Barcelona.
D. César Comás y Agustin Prió Realiza los experimentos con Rayos X y las siguientes radiografias desde el dia 2 de febrero de 1896.
El tubo de Crookes y el carrete de inducción de Ruhmkorff
Las primeras radiografias en España en febrero de 1896 por D. César Cómas y D. Agustin Prió
Están en los archivos de la Facultad de Medicina de Barcelona
Pinzas de anillos y un cortavidrios
Estuche que contine un peina y una plumilla de acero
Cortaplumas y diafragma de un objetivo fotografico
Pez platija
Adorno metalico
Monedero de mallas
Si deseas ampliar mas sobre la historia de los rayos X te recomiendo: Electricidad. Rayos X, Tubos de rayos Holtz o tubos vacuo. Tubos de Geissler. Tubos de Goldstein. Tubos de Crookes, Tubos de Rayos X
Primera radiografia en España.
La primera radiografia de España fue realizada por Eduardo Fontseré, que era ayudante gratuito de Eduardo Lozano y Ponce de Leon. Catedrático de Fisica de la Universidad de Barcelona. Contribuyeron también D. Arturo Bofill secretario de la Real Academia de las Ciencias y Artes de Barcelona y el D Juan Sloker, fotógrafo
El tubo de Crookes y el carrete de inducción de Ruhmkorff
Realizada el dia 6 de febrero de 1896. Publicada y expuesta al conocimiento público por D, Eduardo Lozano y Ponce de Leon que realiza la primera conferencia en España sobre los Rayos X en Barcelona en la Real Academia de las Ciencias y Artes el dia 10 de febrero de 1896. y expone estas fotografias. Está publicado en un pequeño folleto de 16 páginas.
Primera radiografia en España. Realizada el 6-2-1896. Publicadas en la Conferencia del Catedratido D.Eduardo Lozano el dia 10-2-1896
Se encuentran en los Archivos de la Real Academia de Ciencias y Artes de Barcelona
Reproducida en cartón negro. Radiografia de mala calidad, poca penetración. La exposición fue de 7 minutos
Mano humana y moneda. La exposición fue de 10 minutos. Reproducida en cartón
Si deseas ampliar mas sobre la historia de los rayos X te recomiendo: Electricidad. Rayos X, Tubos de rayos Holtz o tubos vacuo. Tubos de Geissler. Tubos de Goldstein. Tubos de Crookes, Tubos de Rayos X
Primer introductor de los Rx en España. Eduardo Lozano y Ponce de Leon
Eduardo Lozano y Ponce de Leon. Nace en Campanario (Badajoz), su padre es médico. Realiza sus primeros estudios en Ciudad Real, despues en Madrid. Licenciado en Ciencias Fisico.Matematicas-Quimicas en Madrid. Es catedratico de Instituto en Teruel, Toledo, Malaga. Catedratico de Fisica en la Universidad de Barcelona en 1884.
Realiza estudios importantes en Fisica, mecanica y quimica, entre sus obras: ·Programa de Fisica y Quimica», «Estudios fisicos», «Nociones de mecánica de sólidos», «Elementos de Fisica», y «El Telégrafos sin hilos»
Es considerado por algunos autores como el primer introductor de los Rayos X en España
Es el primero en dirigir la primera radiografia de España realizada por Eduardo Fontseré, ayudante gratuito de su cátedra. Contribuyeron también D. Arturo Bofill secretario de la Real Academia de las Ciencias y Artes de Barcelona y el fJuan Sloker, fotógrafo. Fueron realizadas el dia 6 de febrero de 1896. Se conservan en la Real Academia de las Ciencias de Barcelona
Distribución del tubo y el carrete de Ruhmkorff de como realizaron la primera radiografia
Eduardo Lozano y Ponce de Leon realiza la primera conferencia en España sobre los Rayos X en Barcelona en la Real Academia dre las Ciencias y Artes el dia 10 de febrero de 1896. Esta conferencia se publicó en un pequeño folleto de 16 páginas, existen varios ejemplares.
Portada del folleto de la Conferencia de Eduardo Lozano y Ponce de Leon
Si deseas ampliar mas sobre la historia de los rayos X te recomiendo: Electricidad. Rayos X, Tubos de rayos Holtz o tubos vacuo. Tubos de Geissler. Tubos de Goldstein. Tubos de Crookes, Tubos de Rayos X
Wilhelm Conrad Röntgen (!845-1923)
Descubridor de los Rayos X el 8 de noviembre de 1895
Premio Nobel de Fisica en 1901
Primera radiografia humana de la historia.
Es la mano Anna Bertha Ludwig (1833-1919), mujer de Röntgen. Es su mano izquierda que la colocó sobre una placa fotográfica de cristal durante 15 minutos el dia 22 de diciembre de 1895
Anna Bertha Ludwig. Esposa de Conrad Rontgen, de quien es la mano de la primera radiografia humana de la historia antes reproducida.
Nació en Suiza en 1839. Conoció a Rontgen en Zurich que fue a trabajar con el profesor Kiundt que fue quien le inspiró para que se dedicara a la física. Se casaron en 1872 en Holanda.. No tuvieron hijos, pero adoptó una sobrina de Bertha que quedó huerfana.
Si deseas ampliar mas sobre la historia de los rayos X te recomiendo: Electricidad. Rayos X, Tubos de rayos Holtz o tubos vacuo. Tubos de Geissler. Tubos de Goldstein. Tubos de Crookes, Tubos de Rayos X
Primer aparato de Rayos X
Wilhelm Conrad Röntgen (1845-1923)
Descubridor de los Rayos X el 8 de noviembre de 1895
Premio Nobel de Fisica en 1901
Röntgen con los primitivos tubos de Rayos X, que practicamente eran similares a los tubos de Crookes
Si deseas ampliar mas sobre la historia de los rayos X te recomiendo: Electricidad. Rayos X, Tubos de rayos Holtz o tubos vacuo. Tubos de Geissler. Tubos de Goldstein. Tubos de Crookes, Tubos de Rayos X
Wilhelm Conrad Röntgen (1845-1923)
Descubridor de los Rayos X el 8 de noviembre de 1895
Premio Nobel de Fisica en 1901
Refiere y es verdad que se basa en todos los trabajos anteriores de Hittorf, Hertz. En los conocidos y famosos enn su época Tubos de rayos Holtz o tubos vacuo. Tubos de Geissler. Tubos de Goldstein. Tubos de Crookes, y tubos de Lenard. (Todos estos tubos fueron fabricados por Mónico Sánchez Moreno en su fábrica de “Eléctrico Sánchez” de Piedrabuena (Ciudad Real) fabricó y distribuyó tubos de estos autores para los Departamentos de Fisica y Quimica de las Universidades Españolas y de los Institutos de Enseñanza Secundaria
Röentgen en 1895 trabajando con un tubo de rayos catódicos tipo de los tubos de Crookes y de Hitorff con la bobina de Ruhmkorff para investigar la fluorescencia que producian los rayos catódicos. Cubrió el tubo de Crookes con un cartón negro y observó que se producia una pequeña luz que atravesaba el cartón negro. Comprobó que estos rayos atravesaban distintos tipos de materiales y sobre todo se dió cuenta que al sostener un aro de plomo con sus manos, no solo veia su mano, sino también los huesos de la mano. Les llamó en su primer trabajo «una nueva clase de rayos» y «rayos incognita», posteriormente les llamó Rayos X como serian conocidos despues en todo el mundo. Realizó experimentos con distintos materiales, metales, papel, cajas y la primera radiografia humana a la mano de su mujer.
Primera radiografia humana de la historia. La mano de la mujer de Röetgen realizada por él.
El descubrimiento de los Rayos X fue divulgado rapidamente por todo el mundo, alcanzó una difusión internacional en poco tiempo. Röetgen fue objeto de multiples reconocimiento. El emperador Guillermo II de Alemania le concedió la Orden de la Corona. La medalla de Rumford de la Real Sociedad de Londres en 1896. Medalla Barnard de la Universidad de Colombia
Röetgen fue premio Nobel de Física en 1901 por el descubrimiento de los Rayos X
Los tubos dr Rayos X consistió al principio tubos de Crookes sin la cruz de Malta y posteriormente fueron unos tubos esféricos de cristal, variando el tamaño, generalmente de 150 a 200 mm de diametro, en el cual se hace el vacio a una presión de 0,001 mm. Está provisto de unos terminales metálicos, ánodo, cátodo y anticátodo a los cuales se conecta corriente electrica de alto voltaje. Producian gran cantidad de calor y era necesario refrigerarlos generalmente con agua
Si deseas ampliar mas sobre la historia de los rayos X te recomiendo: Electricidad. Rayos X, Tubos de rayos Holtz o tubos vacuo. Tubos de Geissler. Tubos de Goldstein. Tubos de Crookes, Tubos de Rayos X